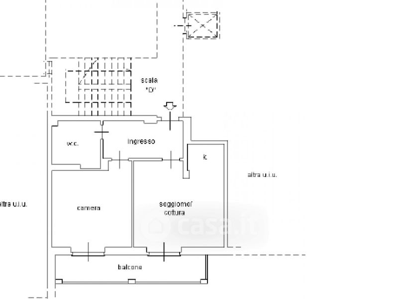
Appartamento in vendita Via Martiri della Libertà 39, San Bartolomeo al Mare
Salva
Casa.it
1/35
  • Street View
  • Map