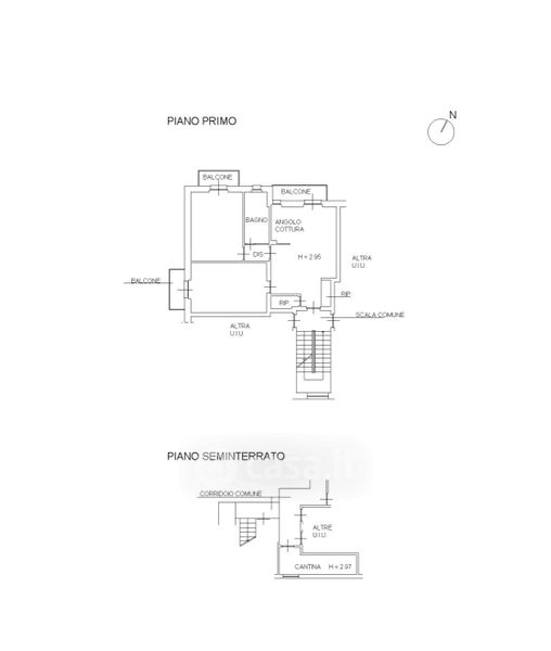
Appartamento in affitto Via Paolo Gorini , Pavia
Salva
Casa.it
1/7
  • Street View
  • Map